СБВ-15.2.28т-2

Чертеж изделия:
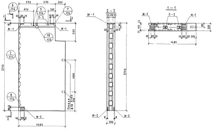
Чертеж СБВ-15.2.28т-2
Характеристики изделия:
ПараметрЗначение
Длина1480 мм
Ширина200 мм
Высота2740 мм
Масса1950 кг
Нормативный документСерия 1.134-1

Блоки внутренних  стен  по Серии 1.134-1.

СБВ-15.2.28т-2   Стеновой блок внутренний.