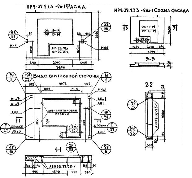
НР2-37.27.3-2бл-1

Чертеж изделия:
Характеристики изделия:
ПараметрЗначение
Длина3695 мм
Ширина300 мм
Высота2650 мм
Масса2690 кг
Нормативный документСерия 1.132-1
Цена:
Рассчитать стоимость

НР2-37.27.3-2бл-1    Наружная стеновая панель рядовая по Серии 1.132-1.